wissen.de Artikel

Diamanten: Die nachgiebige Seite des Edelsteins

Diamanten gelten als unvergänglich, sie sind das härteste natürliche Material und durchschneiden selbst Gestein, Glas oder Stahl – all das ist lange bekannt. Doch erst seit kurzem ist klar, dass die Edelsteine auch eine verblüffend nachgiebige Seite haben: Winzige Nadeln aus dem sonst so spröden Diamant können sich elastisch verbiegen und dehnen. In diesem Zustand entfalten sie zudem ganz neue elektrische Eigenschaften, wie Wissenschaftler entdeckt haben.
NPO, 18.11.2021

Diamanten glänzen nicht nur als Schmucksteine, ihre mechanischen und elektromagnetischen Eigenschaften machen sie auch zum Hightech-Material

GettyImages, studiocasper

Diamanten sind das härteste natürlich entstandene Material – das lernt jeder von uns schon in der Schule. Auf der Moh'schen Härteskala erreichen die Edelsteine den maximalen Wert 10. Das bedeutet, dass sie zwar alle anderen festen Materialien einritzen können, selbst aber unberührt bleiben. Diamanten sind jedoch nicht nur hart, sie besitzen auch von allen Mineralen den höchsten Schmelzpunkt. Um sie zu verflüssigen, benötigt man einen Druck von mehr als 12,7 Megapascal und Temperaturen von rund 4.000 Grad.

Der Grund für diese extreme Beständigkeit ist die besondere Struktur des Kohlenstoffgitters im Diamant. Weil er unter extremem Druck und hohen Temperaturen entstanden ist, bilden seine Kohlenstoffatome besonders kompakte und stabile Bindungen zu ihren Nachbarn aus. Es entsteht ein kubisches Kristallgitter, in dem jedes Kohlenstoffatom mit vier benachbarten Kohlenstoffatomen verbunden ist. Die Bindungen formen ein Tetraeder, in dessen Zentrum der Atomkern liegt. Die Kombination aus einer hohen Bindungsenergie zwischen den Kohlenstoffatomen und der kompakten Gitterstruktur macht es schwer, die Bindungen aufzubrechen – und das macht den Diamanten so widerstandsfähig.

Das Kohlenstoffatome im Diamant bilden ein kubisches Kristallgitter aus, in dem jedes Atom mit vier seiner Nachbarn verbunden ist (r.). Die vier Elektronenorbitale richten sich dabei tetraedrisch in gleichem Winkel zueinander aus (l.).

Tetraederform (l.); Sven /CC-by-sa 3.0; Gitterdarstellung (r.) : YassineMrabet, Gemeinfrei

Wie Diamant biegsam wird

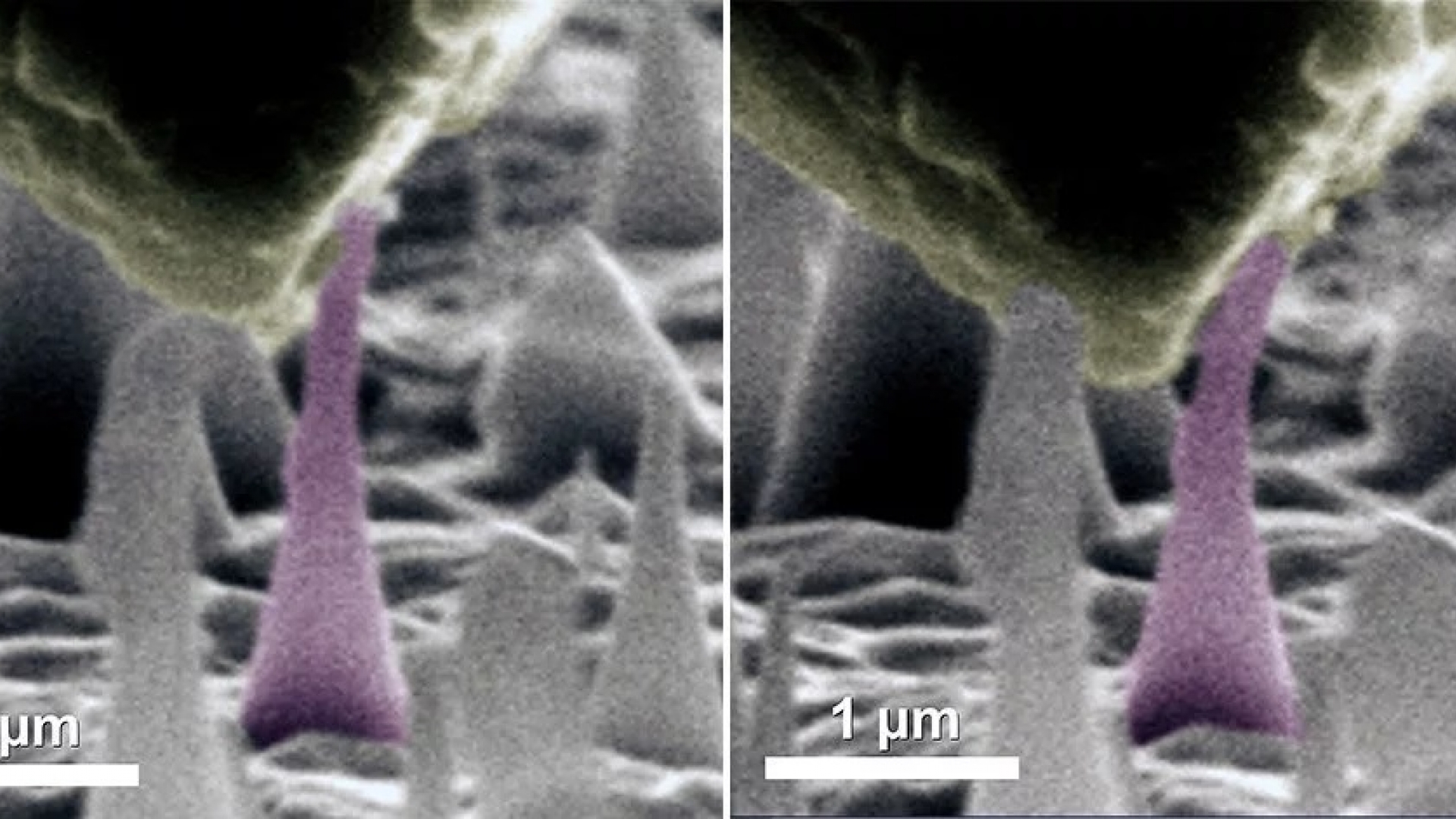
Doch so hart der Diamant im Normalfall auch ist – er kann auch anders, wie Forscher im Jahr 2018 entdeckt haben. Sie hatten für ein Experiment winzige, auf einer Unterlage aufrechtstehende Diamantnadeln erzeugt und wollten testen, ob diese nur 300 Nanometer langen Kristallnadeln noch ähnlich fest und steif sind wie der makroskopische Edelstein. Das Team übte im Test vorsichtig immer stärkeren Druck auf die feinen Kristallnadeln aus und beobachteten sie unter dem Rasterelektronenmikroskop.

Zu ihrer Überraschung gaben die Diamantnadeln dem Druck elastisch nach. „Es war sehr überraschend zu sehen, welch einer elastischen Verformung der Diamant im Nanomaßstab standhalten konnte“, sagt Daniel Bernoulli vom Massachusetts Institute of Technology (MIT). Um bis zu neun Prozent ließen sich die Säulen biegen und sprangen beim Nachlassen des Drucks wieder unbeschadet in ihre ursprüngliche Form zurück. Diamanten in Makrogröße können sich dagegen noch nicht einmal um ein Prozent verbiegen, ohne Schaden zu nehmen.

Wenn man winzige Diamantnadeln biegt, wird der nichtleitende Edelstein zum Stromleiter.

 Amit Banerjee / Kyoto University et al.

Dehnbar wie ein dickes Gummi

Und nicht nur das: In weiteren Tests zeigte sich, dass der vermeintlich so spröde Edelstein im Nanomaßstab nicht nur biegsam, sondern auch dehnbar ist. Dafür erzeugten die Wissenschaftler zunächst dünne, hantelförmige Diamantplättchen von rund einem Mikrometer Länge. An ihrer mittig liegenden Schmalstelle waren diese Plättchen nur rund 300 Nanometer breit. Unter dem Elektronenmikroskop wurden diese Diamantbrücken nun an beiden Enden eingespannt und allmählich immer stärker auseinandergezogen.

Und tatsächlich: Auch dabei erwies sich das Diamantgitter als erstaunlich elastisch. Das Kristallplättchen dehnte sich über seine ganze Länge hinweg gleichmäßig und nahm dadurch um rund 7,5 Prozent an Länge zu. Ähnlich wie bei den Biegetests ist auch die Dehnung des Kristallgitters reversibel: Lässt die Zugspannung nach, zieht sich das Diamantplättchen wieder zusammen. Möglich ist dies, weil das Gitter des Diamants in diesen kleinen Größenordnungen doch noch eine gewisse Elastizität besitzt. Das Gerüst aus Kohlenstoffatomen kann sich dadurch noch leicht verformen.

Vom Isolator zum Halbleiter und Leiter

Das buchstäblich Spannende daran ist aber, dass die Biegung und Dehnung auch die elektrischen Eigenschaften des Diamantkristalls verändert. Normalerweise ist seine elektrische Leitfähigkeit fast gleich Null, weil die engen Bindungen alle Valenzelektronen des Kohlenstoffs festhalten. Dadurch gibt es keine freien Elektronen, die sich durch das Kristallgitter bewegen und den Strom leiten könnten. Um die Elektronen des Diamantgitters zu mobilisieren, ist demnach eine relativ große Energiezufuhr nötig – so jedenfalls dachte man bisher.

Doch bei den Biege- und Dehnexperimenten mit Nanodiamanten stellte sich heraus, dass sich mit der elastischen Verformung auch die elektrische Leitfähigkeit des Diamanten verändert: Sie verschiebt die Atome im Kristallgitter leicht gegeneinander und macht dadurch einige der Außenelektronen des Kohlenstoffs mobiler. Je stärker die Nadel gebogen wird, desto beweglicher werden diese Elektronen im Diamantgitter.

Allein durch das Verbiegen lässt sich Diamant dadurch vom nichtleitenden Isolator in einen Halbleiter oder Leiter umwandeln – je nachdem, wie stark sein Gitter verformt wird. Das eröffnet ganz neue Anwendungen für die Kohlenstoffkleinode. Sie könnten beispielsweise in der Quantentechnologie und Photonik eingesetzt werden, als Photodetektoren oder auch in der biomedizineschen Bildgebung.

Weitere Artikel aus dem Wahrig Herkunftswörterbuch

Weitere Artikel aus dem Vornamenlexikon